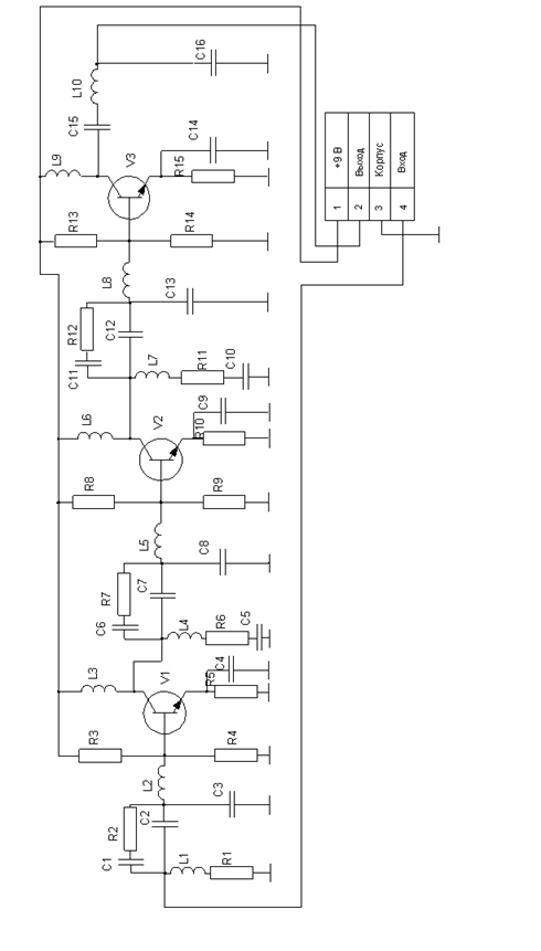
Усилитель - корректор
, (7.2)
где
крутизна транзистора,
сопротивление термостабилизации.
,
где
;
мА/в;
мА/в;
мА/в;
мА/в;
нФ;
нФ;
нФ.
Для уменьшения искажений последовательно с разделительной емкостью включим дополнительное сопротивление параллельно емкости
корректирующей цепи каскада. Дополнительное сопротивление высчитывается по формуле:
, (7.3)
где
сопротивление нагрузки для оконечного каскада и сопротивление
для остальных каскадов.
Ом;
Ом;
Ом.
Так же включим
последовательно с сопротивлением цепи коррекции
со стороны земли. Дополнительную емкость включим только к оконечному и предоконечному каскаду:
; (7.4)
пФ.
нФ;
|
| ||||||||||||||||||||||||||||||||||||||||||||||
|
РТФ КП 468730.001.ПЗ | ||||||||||||||||||||||||||||||||||||||||||||||
|
Лит |
Масса |
Масштаб | ||||||||||||||||||||||||||||||||||||||||||||
|
Изм |
Лист |
Nдокум. |
Подп. |
Дата | ||||||||||||||||||||||||||||||||||||||||||
|
Выполнил |
Кузнецов |
УCИЛИТЕЛЬ-КОРРЕКТОР | ||||||||||||||||||||||||||||||||||||||||||||
|
Проверил |
Титов | |||||||||||||||||||||||||||||||||||||||||||||
|
Лист |
Листов | |||||||||||||||||||||||||||||||||||||||||||||
|
ТУСУР РТФ | ||||||||||||||||||||||||||||||||||||||||||||||
|
Принципиальная |
Кафедра РЗИ | |||||||||||||||||||||||||||||||||||||||||||||
|
Схема |
гр. 148-3 | |||||||||||||||||||||||||||||||||||||||||||||
|
Позиционные Обозначения |
Наименование |
Кол |
Примечание | |||||||||||||||||||||||||||||||||||||||||||
|
Конденсаторы ОЖ0.460.203 ТУ | ||||||||||||||||||||||||||||||||||||||||||||||
|
С1 |
КД-2-750пФ±5% |
1 | ||||||||||||||||||||||||||||||||||||||||||||
|
С2 |
КД-2-39пФ±5% |
1 | ||||||||||||||||||||||||||||||||||||||||||||
|
С3 |
КД-2-30пФ±5 |
1 | ||||||||||||||||||||||||||||||||||||||||||||
|
С4 |
КД-2-2нФ±5% |
1 | ||||||||||||||||||||||||||||||||||||||||||||
|
C5,С13,С16 |
КД-2-8,2пФ±5% |
3 | ||||||||||||||||||||||||||||||||||||||||||||
|
С6,С11 |
КД-2-470пФ±5% |
2 | ||||||||||||||||||||||||||||||||||||||||||||
|
С7,с12 |
КД-2-18пФ±5% |
2 | ||||||||||||||||||||||||||||||||||||||||||||
|
С8 |
КД-2-6,2пФ±5% |
1 | ||||||||||||||||||||||||||||||||||||||||||||
|
С9 |
КД-2-15нФ±5% |
1 | ||||||||||||||||||||||||||||||||||||||||||||
|
С10 |
КД-2-1,1нФ±5% |
1 | ||||||||||||||||||||||||||||||||||||||||||||
|
С14 |
КД-2-30нФ±5% |
1 | ||||||||||||||||||||||||||||||||||||||||||||
|
С15 |
КД-2-290пФ±5% |
1 | ||||||||||||||||||||||||||||||||||||||||||||
|
Индуктивности | ||||||||||||||||||||||||||||||||||||||||||||||
|
L1 |
Индуктивность 44нГн±10% |
1 | ||||||||||||||||||||||||||||||||||||||||||||
|
L2 |
Индуктивность 5,8нГн±10% |
1 | ||||||||||||||||||||||||||||||||||||||||||||
|
L3 |
Индуктивность 2,21мкГн±10% |
1 | ||||||||||||||||||||||||||||||||||||||||||||
|
L4 |
Индуктивность 75нГн±10% |
1 | ||||||||||||||||||||||||||||||||||||||||||||
|
L5 |
Индуктивность 16нГн±10% |
1 | ||||||||||||||||||||||||||||||||||||||||||||
|
L6 |
Индуктивность 3,75мкГн±10% ±10±10% |
1 | ||||||||||||||||||||||||||||||||||||||||||||
|
L7 |
Индуктивность 57нГн±10% | |||||||||||||||||||||||||||||||||||||||||||||
|
L8 |
Индуктивность 13нГн±10% | |||||||||||||||||||||||||||||||||||||||||||||
|
L9 |
Индуктивность 2мкГн±10% | |||||||||||||||||||||||||||||||||||||||||||||
|
L10 |
Индуктивность 19нГн±10% | |||||||||||||||||||||||||||||||||||||||||||||
|
Резисторы ГОСТ 7113-77 | ||||||||||||||||||||||||||||||||||||||||||||||
|
R1 |
МЛТ–0,125-56Ом±10% |
1 | ||||||||||||||||||||||||||||||||||||||||||||
|
R2,R8 |
МЛТ–0,125-2,4кОм±10% |
2 | ||||||||||||||||||||||||||||||||||||||||||||
|
R3 |
МЛТ–0,125-7,5кОм±10% |
1 | ||||||||||||||||||||||||||||||||||||||||||||
|
R4 |
МЛТ–0,125-6,2кОм±10% |
1 | ||||||||||||||||||||||||||||||||||||||||||||
|
R5 |
МЛТ–0,125-470Ом±10% |
1 | ||||||||||||||||||||||||||||||||||||||||||||
|
R6 |
МЛТ–0,125-91Ом±10% |
1 | ||||||||||||||||||||||||||||||||||||||||||||
|
R7 |
МЛТ–0,125-6,8кОм±10% |
1 | ||||||||||||||||||||||||||||||||||||||||||||
|
R9 |
МЛТ–0,125-2кОм±10% |
1 | ||||||||||||||||||||||||||||||||||||||||||||
|
R10 |
МЛТ–0,125-150Ом±10% |
1 | ||||||||||||||||||||||||||||||||||||||||||||
|
R11 |
МЛТ–0,125-68Ом±10% |
1 | ||||||||||||||||||||||||||||||||||||||||||||
|
R12 |
МЛТ–0,125-430Ом±10% |
1 | ||||||||||||||||||||||||||||||||||||||||||||
|
R13 |
МЛТ–0,125-1кОм±10% |
1 | ||||||||||||||||||||||||||||||||||||||||||||
|
R14 |
МЛТ–0,125-820Ом±10% |
1 | ||||||||||||||||||||||||||||||||||||||||||||
|
R15 |
МЛТ–0,125-60Ом±10% |
1 | ||||||||||||||||||||||||||||||||||||||||||||
|
Транзисторы | ||||||||||||||||||||||||||||||||||||||||||||||
|
V1,V2,V3 |
КТ939А |
3 | ||||||||||||||||||||||||||||||||||||||||||||
|
РТФ КП 468730.001 ПЗ | ||||||||||||||||||||||||||||||||||||||||||||||
|
Лит |
Масса |
Масштаб | ||||||||||||||||||||||||||||||||||||||||||||
|
Изм |
Лист |
Nдокум. |
Подп. |
Дата | ||||||||||||||||||||||||||||||||||||||||||
|
Выполнил |
Кузнецов |
УСИЛИТЕЛЬ-корректор |
У | |||||||||||||||||||||||||||||||||||||||||||
|
Провер. |
Титов | |||||||||||||||||||||||||||||||||||||||||||||
|
Лист |
Листов | |||||||||||||||||||||||||||||||||||||||||||||
|
ТУСУР РТФ | ||||||||||||||||||||||||||||||||||||||||||||||
|
Перечень элементов |
Кафедра РЗИ | |||||||||||||||||||||||||||||||||||||||||||||
|
гр. 148-3 | ||||||||||||||||||||||||||||||||||||||||||||||
Дополнительно
Исследование способов повышения эффективности работы гусеничного движителя
Магистерская диссертация выполнена на 78
страницах машинописного текста и включает 12 рисунков, 2 таблицы и список
литературы из 27 наименований.
Ключевые слова: эффективность, принцип
работы, гусеничный движитель, ведущая звездочка, навесоспособность, плавность
хода, почвосбережение, внутренне ...
Проектирование технологии ремонта гидроцилиндров с использованием полимерных материалов
Одно
из направлений повышения эффективности производства - его переоснащение
современной техникой, внедрение передовых технологических процессов и
достижений современной науки.
В
лесной промышленности и лесном хозяйстве таким направлением наряду с увеличением
единичной мощности выпускаемой те ...