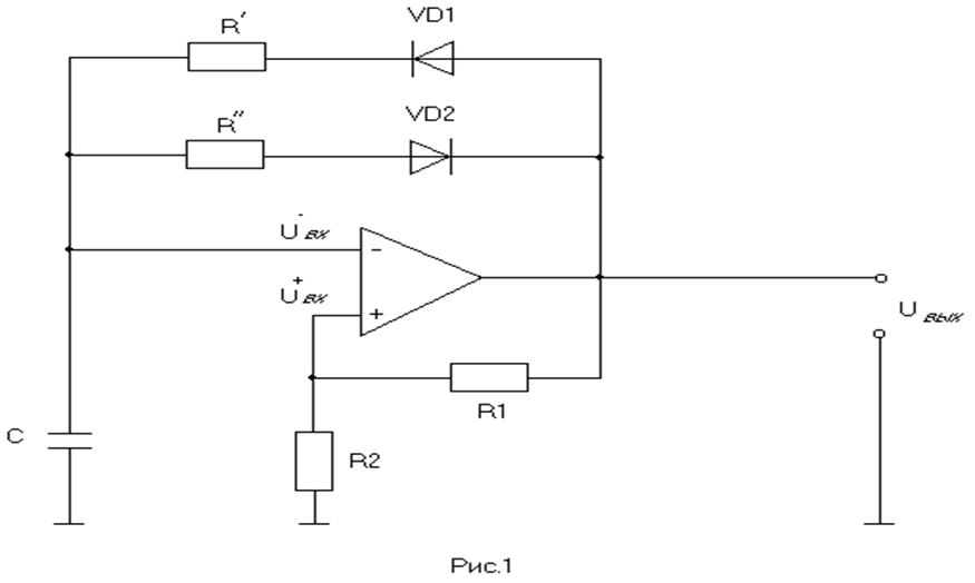
Спецификация элементов схемы
|
№ п/п |
Обозначение |
Тип |
Количество |
|
1 |
|
Резистор МЛТ-0,5 – 1.3 кОм 5% |
1 |
|
2 |
|
Резистор МЛТ-0,5 – 3.6 кОм 5% |
1 |
|
3 |
|
Резистор МЛТ-0,5 – 9.1 кОм 5% |
1 |
|
4 |
|
Резистор МЛТ-0,5 – 4.7 кОм 5% |
1 |
|
5 |
|
Конденсатор К1030 – 0.01 мкФ |
1 |
|
6 |
|
Операционный усилитель К574УД1 |
1 |
ЗАКЛЮЧЕНИЕ
В курсовой работе был разработан релаксационный генератор на ИОУ с большой скважностью генерируемых импульсов в режиме автоколебания. В процессе ее выполнения получены навыки выбора схемы и ее элементов в зависимости от необходимого результата.
Приобретены знания об основных свойствах интегральных операционных усилителей, используемых при построении импульсных генераторов различного назначения, в частности с использованием в данной курсовой работе ИОУ К574УД1.
ПРИЛОЖЕНИЕ
Дополнительно
Лазерная система для измерения статистических характеристик пространственных квазипериодических структур
В последние годы наблюдается интенсивное развитие аэрокосмической и ракетной
техники, что в свою очередь ставит перед промышленностью задачу создания точных
и надежных систем связи, ориентации и обнаружения подвижных объектов в
пространстве. В большинстве случаев данные задачи решаются с прим ...
Численная модель эволюции плавающих на сферической мантии и взаимодействующих континентов
С развитием методов
численного моделирования глобальных геодинамических процессов появилась
возможность исследовать механизм дрейфа континентов с периодическим
объединением их в суперконтиненты типа Пангеи. В предыдущих работах авторов
разработан метод численного решения системы уравнений переноса ...