Кинетостатический анализ работы ведущего колеса с внутренним подрессориванием.

4.1.1 Расчетная схема

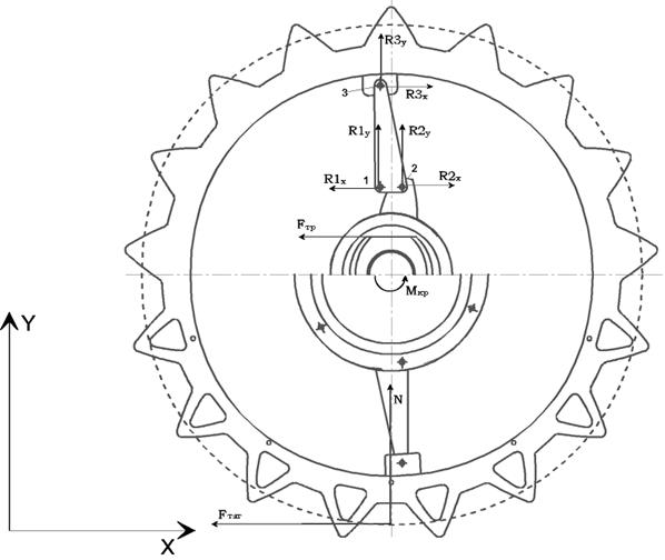
Расчетная схема для кинетостатического анализа приведена на рисунке 4.1.

Підпис: Рисунок 3.5 Расчетная схема кинетостатического анализа.

Принятые допущения:

все тела абсолютно жесткие;

на обод воздействует только нижняя ветвь гусеницы с силой Fтр;

крутящий момент передаётся к любой точке обода колеса без потерь;

упругий элемент в данный момент времени не деформирован, то есть с его стороны на обод, ведущую и ведомые ступицы не действуют силы упругости;

центр вращения колеса, шарниры 1 и 3 всегда лежат на одной прямой;

сила трения линейно зависит от реакции опорной поверхности;

модуль реакции опорной поверхности равен силе тяжести машины, приходящейся на данный узел.

4.1.2 Определение неизвестных реакций в шарнирах упругого элемента

Запишем уравнения кинетостатики для данной системы:

(4.1)

(4.1)

Основываясь на приведённых выше допущениях, они примут вид:

(4.2)

(4.3)

где х — расстояние от поверхности трения до шарнира 1 (определяется из конструкции механизма).

(4.4)

Нетрудно заметить, что в силу всё тех же допущений, часть составляющих реакций шарниров уже известна. Так

(4.5)

;

(4.6)

;

.

Тогда выражения (4.1) примут вид

(4.8)

(4.7)

(4.9)

(4.10)

Перейти на страницу: 1 2

Дополнительно

Порошковая металлургия и дальнейшая перспектива ее развития
Порошковой металлургией называют область техники, охватывающую совокупность методов изготовления порошков металлов и металлоподобных соединений, полуфабрикатов и изделий из них или их смесей с неметаллическими порошками без расплавления основного компонента. Из имеющихся разнообразных способов ...

Конструкции и технология изготовления электротехнических изделий
Настоящее методическое пособие предназначено для студентов Института Электротехники, выполняющих курсовые и дипломный проекты (КП и ДП), и призвано оказать им помощь по выполнению конструкторско-технологической части проектов. В связи с введением Единой системы конструкторской документации (ЕСК ...

Меню сайта