Полупроводниковый преобразователь

Преобразователь представляет собой следующую принципиальную схему (см. рис. 1).

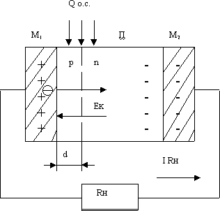
Рис.1. Принципиальная схема преобразователя.

где: П – кристалл полупроводника (кремний n-типа);

р-n – переход с контактным электрическим полем Ек;

М1 – металлический контакт с р-областью (алюминий);

М2 - металлический контакт с n-областью (алюминий);

d – глубина залегания р-n перехода (не более 10 мКм);

RH – сопротивление нагрузки внешней цепи.

Принцип работы преобразователя заключается в следующем.

Например, работа выхода электрона из полупроводника n-типа составляет 4,25 эВ, р-типа – 5,25 эВ, из алюминия – 4,25 эВ. Поэтому, контакт М2 с полупроводником n-типа является оммическим и не влияет на работу преобразователя, а контакт М1 с полупроводником р-типа является инжектирующим.

Под действием сил теплового движения и в результате различия работ выхода, электроны из металлического контакта М1 будут инжектироваться в р-область полупроводника. Часть электронов рекомбинирует с дырками р-области кристалла, а остальная часть электронов будет перебрасываться электрическим полем р-n перехода Ек в n-область кристалла. При этом n-область полупроводникового кристалла и контакт М2 будут заряжаться отрицательно, а контакт М1, из-за ухода из него электронов, - положительно, что в итоге приведет к возникновению разности электрических потенциалов между контактами М1 и М2.

Поток электронов из М1 в М2 будет иметь место до тех пор, пока возрастающее электрическое поле между контактами не вызовет встречный поток электронов из n-области в р-область кристалла из-за снижения потенциального барьера р-n перехода. Когда эти токи электронов сравняются, в изолированном кристалле установится электрическое и термодинамическое равновесие. При этом между контактами М1 и М2 установится разность потенциалов равная половине контактной разности потенциалов p-n перехода (в данном случае – 0,55В), что означает наличие между ними Э.Д.С. (холостого хода).

Если замкнуть контакты М1 и М2 внешним металлическим проводником с сопротивлением RH, то электрическое и термодинамическое равновесие полупроводникового кристалла нарушится и в цепи нагрузки потечет электрический ток I RH. При этом p-n переход будет охлаждаться, т. к. энергия электронов переходящих из р-области в n-область полупроводника будет увеличина за счет внутренней (тепловой) энергии кристаллической решетки полупроводника. Для поддержания в цепи нагрузки постоянного по величине тока к нему необходимо подводить теплоту от окружающей среды – Qo.c.

Дополнительно

Эволюция и самоорганизация химических систем. Макромолекулы и зарождение органической жизни
Понятие самоорганизация означает упорядоченность существования материальных динамических, то есть качественно изменяющихся систем. Оно отражает особенности существования таких систем, которые сопровождаются их восхождением на все более высокие уровни сложности и системной упорядоченности или матер ...

Конструкции и технология изготовления электротехнических изделий
Настоящее методическое пособие предназначено для студентов Института Электротехники, выполняющих курсовые и дипломный проекты (КП и ДП), и призвано оказать им помощь по выполнению конструкторско-технологической части проектов. В связи с введением Единой системы конструкторской документации (ЕСК ...

Меню сайта