Усилитель - корректор
5 В ,
=113,
нГн,
нГн.
![]() | ![]() | ||
а) б)
Рисунок 4.2
Исходя из вышеуказанных результатов вычислений, целесообразней всего применять дроссельный каскад, так как при использовании дроссельного каскада меньше напряжение питания, рассеиваемая мощность, а также потребляемая мощность (что очень существенно).
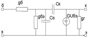
4.3 Расчет эквивалентной схемы транзистора
![]() | |||
![]() | |||
а) б)
Рисунок 4.3.1
Здесь
проводимость базы
, (4.8)
где
постоянная времени цепи обратной связи (табличное значение),
ёмкость коллекторного перехода (табличное значение),
проводимость база-эмиттер
См;
, (4.9)
где
сопротивление эмиттера
, (4.10)
где
ток рабочей точки,
статический коэффициент передачи тока с общим эмиттером.
Ом;
См;
, (4.11)
где
граничная частота транзистора.
пФ;
входная индуктивность,
где ![]()
индуктивность базового и эмиттерного выводов соответственно;
нГн;
=
;
выходное сопротивление транзистора
, (4.12)
где
и
допустимые параметры транзистора.
Ом;
.
В расчете также используется параметр
, (4.13)
Дополнительно
Высокопроизводительная, экономичная и безопасная работа технологических агрегатов металлургической промышленности
Высокопроизводительная,
экономичная и безопасная работа технологических агрегатов металлургической
промышленности требует применения современных методов и средств измерения
величин, характеризующих ход производственного процесса и состояние
оборудования. Автоматический контроль является логически ...
Репрезентативная теория измерений и её применения
Репрезентативная теория
измерений (РТИ) согласно принятой в обзоре [1] классификации научных
направлений является одной из составных частей статистики объектов нечисловой
природы. Основные понятия этой теории и некоторые ее применения рассматривались
в обзорах [1,2], в которых приведено так ...



