Основные правила выполнения электромонтажных чертежей и чертежей изделий с электрическими обмотками. Условные изображения сердечников магнитопроводов
Электромонтажные чертежи выполняют в ДП по электрическим сетям летательных аппаратов.
Электромонтажный чертеж допускается выполнить в виде аксонометрической проекции согласно ГОСТ 2.317–69. Основные правила выполнения чертежей для электромонтажа определяет ГОСТ 2.413–72. На электромонтажном чертеже изображают:
сплошными основными линиями – составные части, устанавливаемые при электромонтаже, и места присоединения проводников;
сплошными тонкими линиями и упрощенно – составные части, устанавливаемые до электромонтажа. "Обстановку" изображают непрозрачной.
Проводник, провод, кабель, жгут, шину изображают в соответствии с ГОСТ 2.414–75. При условном изображении проводников рядом допускается слияние:
одиночных проводов;
группы одиночных проводов с другими группами или одиночными проводами.
Не допускается слияние линий, изображающих жгут или кабель и входящие в его состав проводники, с линиями других жгутов и кабелей.
При условии изображения проводников их изгибы в местах слияния и разветвления линий, означающих одиночные провода и т.п., изображают прямыми линиями под углом приблизительно 45º (рис. 4).
Допускается изображать места слияния и разветвления жгутов, а также изгибы проводников (кроме мест слияния и разветвления) и проволочных выводов резисторов, конденсаторов и т.д. прямыми линиями под углом приблизительно 90°.
Рис. 3 Рис. 4
Два перекрещивающихся проводника без соединения изображают без точки (рис. 5).

Рис. 5 Рис. 6
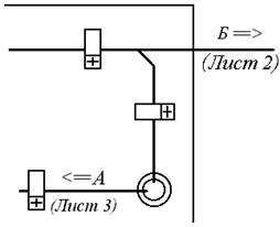
Линию проводника, переходящую с одного вида листа на другой, предпочтительно обрывать за пределами очертания изделия с указанием обозначения линии и вида (рис. 6).
Линии проводников, присоединенных к многоконтактному изделию, допускается заканчивать у линии внешних контуров изделия. В этом случае:
у контактов показывают концы линии и обозначение присоединенных проводников (рис. 7);
у изображения многоконтактного изделия помещают таблицу с номерами контактов и обозначениями проводников (рис. 8).
При отсутствии маркировки контактов изделия на чертеже их обозначают и поясняют схемой соединения контактов (рис. 9).
Электрическое соединение, осуществляемое пайкой или сваркой, изображают точкой диаметром от 1,5´S до 3´S, где S – толщина основной линии.
Рис. 7 Рис. 8
ГОСТ 2.414–75 определяет правила выполнения чертежей и маркировки жгутов, кабелей, проводов.
Чертежом жгута называется сборочный чертеж изделия, состоящего из скрепляемых в пучок двух и более проводов или кабелей и, при необходимости, соединительных устройств, наконечников и т.п.
Провода представляют собой изолированные проводники для монтажа на щитах, панелях или для соединений между приборами и аппаратами. Провода подразделяются по назначению на силовые, монтажные и обмоточные. Кабели – изделия, выполненные из гибких изолированных проводов, заключенных в герметичные оболочки.
Рис. 9 Рис. 10
Согласно ГОСТ 2.414–75, провода, кабели, жгуты изображают упрощенно двумя контурными линиями (рис. 10, а); одной сплошной основной линией толщиной S (рис. 10, б); в случае необходимости выделить их на чертеже они изображаются двумя контурными линиями с указанием оплетки около одной линии (рис. 10, в).
Существует два способа изображения экранированных проводов: двумя контурными линиями (рис. 10, г) или одной контурной линией (рис. 10, д).
Жгуты, располагающиеся в собранном изделии в разных плоскостях (рис. 11, а), изображают на чертежах, в одной плоскости в развернутом виде (рис .11, б), со смещением отдельных участков изображения – для лучшего использования поля чертежа (рис. 11, в). Можно изображать жгуты, лежащие в разных плоскостях, в аксонометрических проекциях.
Дополнительно
Колониальная организация и межклеточная коммуникация у микроорганизмов
Обзор посвящен современным концепциям и данным,
свидетельствующим о целостном характере микробных популяций (колоний,
био-плёнок и др.) как своеобразных "суперорганизмов". При этом особое
внимание уделяется таким явлением как апоптоз, бактериальный альтруизм, эффект
кворума, коллективная ...
Кибернетика и синергетика – науки о самоорганизующихся системах
Фронт современной науки простирается от
сравнительно частных, конкретных концепций относительно различных областей
физического и химического мира, до глубочайших теорий, охватывающих различные
сферы природы, общества и технической деятельности человека. К последним
следует отнести кибернетику и ...