Правила изображения резьбы на чертежах (на стержне и в отверстии)

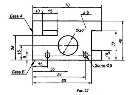
Конструктивными базами

называют поверхности, линии или точки детали, по отношению к которым ори­ентируют другие её элементы.

Общее количество размеров на чертеже должно быть минимальным, но достаточным для изготовления и контроля изделия; не допускается повторять размеры од­ного и того же элемента на разных изображениях. Чтобы получить наиболее понятное и удобное для чтения рас­положение размеров, знаков и надписей на чертежах, их размещают по возможности равномерно на всех изобра­жениях. Размеры нескольких одинаковых элементов из­делия наносят один раз, указывая на полке линии-выноски количество этих элементов (рис. 27).

Сборочным чертежом

называют конструкторский документ, содержащий изображение сборочной едини­цы, состоящей из двух и более деталей и другие данные, необходимые для её сборки (изготовления) и контроля. Сборочный чертёж должен давать полное представление о назначении данной сборочной единицы: о том, какие детали и в каком количестве в неё входят, о взаимном расположении всех деталей и способе их соединения между собой; об относительном движении или взаимо­действии отдельных деталей; о последовательности сборки.

Чтобы правильно прочитать сборочный чертёж, не­обходимо учитывать следующие особенности его офор­мления. При выполнении сборочных чертежей действует большинство правил, установленных для чертежей дета­лей: так же в проекционной связи располагаются изо­бражения для выявления формы изделий, применяются виды, сечения, разрезы; таково же назначение и начерта­ние линий чертежа; такие же размеры форматов и т.п.

Разрезы и сечения на сборочных чертежах служат для выявления внутреннего устройства сборочной еди­ницы и взаимосвязи, входящих в неё деталей. Разрез на сборочном чертеже представляет собой совокупность разрезов отдельных деталей; входящих в сборочную единицу, изображённую на чертеже При штриховке ка­ждой детали, входящей в сборочную единицу, соблюда­ют следующее правило: сечения двух соприкасающихся металлических деталей заштриховывают в разные сторо­ны. На сборочных чертежах применяют упрощённое изображение резьбовых соединений, крепёжных деталей, пружин, зубчатых колёс и другие.

Винты, болты, крепёжные гайки и шайбы, заклёп­ки, шпонки, не пустотелые валы и шпиндели, шатуны, рукоятки показывают на сборочных чертежах не рассеченными, если разрез оказывается продольным.

При простановке размеров учитывают, что по сбо­рочному чертежу детали не изготавливают, а только со­бирают изображённое на нём изделие, поэтому нет ника­кой необходимости в простановке размеров деталей. Проставляют только основные размеры, такие как: габа­ритные размеры изделия; расстояния между центрами крепёжных отверстий; эксплуатационные, установочные и присоединительные размеры (все они справочные), прочие размеры, необходимые для сборки.

На сборочных чертежах все составные части сбо­рочной единицы нумеруют. Номера позиций указывают на полках линий-выносок, проводимых от изображений составных частей, Номера позиций наносят на чертеже, как правило, на основных видах один раз, всегда распо­лагают параллельно основной надписи чертежа вне кон­тура изображения и группируют в колонку или строчку.

Перейти на страницу: 1 2 3

Дополнительно

Оборудование для механического обезвоживанья и сушки текстильных материалов
Сушка является самым распространенным технологическим процессом красильно-отделочного производства. На многих от­делочных фабриках сушильное оборудование занимает прибли­зительно до 30 % производственных площадей, потребляет до 40 % всего расходуемого тепла и до 30 % электроэнергии. Одним из эффек ...

Внутренняя структура протона и новый способ получения энергии
Протон был открыт в начале 20-х г.г. в экспериментах с альфа-частицами. В опытах по рассеянию на протонах электронов и гамма-квантов были получены достоверные доказательства существования некой внутренней структуры у этой частицы. В 1970 г. в Стенфордском центре линейного ускорителя (СЛАК) удалось ...

Меню сайта