Сопряжение частотомера с ЭВМ
Фиксаторы портов Р0, Р1, Р2, Р3 имеют свои внутренние физические адреса, как при байтовой адресации, так и при битовой адресации.
Помимо работы в качестве обычных портов ввода/вывода линии портов Р0 – Р3 могут выполнять рад дополнительных функций, описанных ниже.
Через порт Р0:
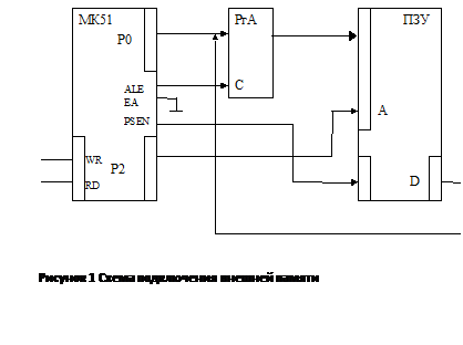
Выводится младший байт адреса А0 – А7 при работе с внешней памятью программ и внешней памятью данных;
Выдается из ОМЭВМ и принимается в ОМЭВМ байт данных при работе с внешней памятью (при этом обмен байтом данных и вывод младшего байта адреса внешней памяти мультиплексированы во времени);
Через порт Р2:
Выводится старший байт адреса А8 – А15 при работе с внешней памятью программ и внешней памятью данных (для внешней памяти данных – только при использовании команд, которые вырабатывают 16-разрядный адрес)
Каждая линия порта Р3 имеет индивидуальную альтернативную функцию:
P3.00 – RxD, вход последовательного порта, предназначен для ввода последовательных данный в приемник последовательного порта;
P3.1 – TxD, выход последовательного порта, предназначен для вывода последовательных данных из передатчика последовательного порта;
P3.2 – INT0 – используется как вход 0 внешнего запроса прерывания;
P3.3 – INT1 - используется как вход 1 внешнего запроса прерывания;
P3.4 – T0, используется, как вход счетчика внешних событий Т/С 0;
P3.5 – T1, используется, как вход счетчика внешних событий Т/С 1;
P3.6 – WR, строб записи во внешнюю память данных, входной сигнал, сопровождающий вывод данных через порт Р0 при использовании соответствующих команд;
P3.7 – RD, строб чтения из внешней памяти данных, выходной сигнал, сопровождающий ввод данных через порт Р0 при использовании соответствующих команд.
Альтернативная функция любой из линий порта Р3 реализуется только в том случае, если в соответствующем этой линии фиксаторе-защелки содержится «1». В противном случае на линии порта 3 будет присутствовать «0».
Среди прочих особенностей данной ОМЭВМ особого внимания заслуживают следующие.
Параллельные порты ввода/вывода.
Для связи ОМЭВМ с объектами управления, для ввода/вывода информации используются 32 двунаправленные линии. Эти линии сгруппированы в 4 порта по 8 линий в каждом. Каждая линия может быть индивидуальна и независимо запрограммирована на вход или выход. При использовании линии в качестве входа необходимо соответствующий бит порта установить в «1». При установке ОМЭВМ в исходное состояние все линии портов включены в исходное состояние. Обращение к портам ввода/вывода осуществляется через регистры специальных функций Р0 – Р3. Обращение производится с использованием команд, оперирующих с байтами, битом или с комбинацией бит.
В случае использования внешней памяти программ или данных, порт 0 служит для ввода младшего байта адреса внешней памяти, а через Р2 – для вывода старшего байта вывода внешней памяти, поэтому, когда мы используем внешнюю память – эти порты заняты. Данные во внешнюю память передаются через регистр Р0 (рис. 9).
![]() |
Дополнительно
Лазерная система для измерения статистических характеристик пространственных квазипериодических структур
В последние годы наблюдается интенсивное развитие аэрокосмической и ракетной
техники, что в свою очередь ставит перед промышленностью задачу создания точных
и надежных систем связи, ориентации и обнаружения подвижных объектов в
пространстве. В большинстве случаев данные задачи решаются с прим ...
Крепление кабелей
Анализ качества работ по монтажу СКС показывает, что иногда подрядчики
неудовлетворительно относятся к соблюдению правил укладки и крепления кабеля.
Чаще всего подобная небрежность свойственна организациям, чья прежняя
специализация состояла в монтаже АТС - при работе с телефонным кабелем
(Категор ...
