Дискретное устройство (ДУ)
Микрооперация сдвига кода вправо на один разряд.
Когда Y =2, по заднему фронту тактового импульса информация со входов триггера поступает на их выходы, а затем осуществляется сдвиг кода, хранящегося в данный момент в ячейках памяти, в сторону старших разрядов т.е. вправо. При сдвиге каждый запоминающий элемент должен :
- передать хранимую информацию на элемент Ti+1
- изменить свое состояние за счет приема информации от триггера Т i-1 при сдвиге на один разряд вправо.
Передача от триггера Тi и изменение его состояния не могут проходить одновременно. В данном курсовом проекте эта трудность исключается за счет использования синхронных двухступенчатых JK-триггеров с динамическим управлением записью. Внутренняя организация таких триггерных схем предусматривает разделение во времени этапов приема входной информации и смены выходной. В них по переднему фронту синхронизирующего сигнала происходит прием информации, а по заднему - изменение состояния.
| Pi | Qt | Qt+1 | J | K | J | K | ||||
| 0 | 0 | 0 | 0 | * | Qt | Qt | ||||
| 0 | 1 | 0 | * | 1 | ||||||
| 1 | 0 | 1 | 1 | * |
| Pi | * | 1 | ||
| 1 | 1 | 1 | * | 0 | 1 | * |
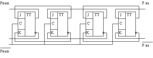
Схема цепи, реализующей данную операцию, изображена на рис. 3.3
рисунок 3.3
Логическая микрооперация.
В данном дискретном устройстве разрабатывается логическая микрооперация «Логическое “И”» .Когда Y=3 и на синхровходы триггеров подается тактовый импульс, по его заднему фронту информация на входах переписывается на выходы Q с задержкой прохождения сигнала через триггер. Затем выполняется заданная логическая операция над содержимом ячейки памяти и входными данными.
Дополнительно
Численная модель эволюции плавающих на сферической мантии и взаимодействующих континентов
С развитием методов
численного моделирования глобальных геодинамических процессов появилась
возможность исследовать механизм дрейфа континентов с периодическим
объединением их в суперконтиненты типа Пангеи. В предыдущих работах авторов
разработан метод численного решения системы уравнений переноса ...
Колониальная организация и межклеточная коммуникация у микроорганизмов
Обзор посвящен современным концепциям и данным,
свидетельствующим о целостном характере микробных популяций (колоний,
био-плёнок и др.) как своеобразных "суперорганизмов". При этом особое
внимание уделяется таким явлением как апоптоз, бактериальный альтруизм, эффект
кворума, коллективная ...