Дискретное устройство (ДУ)
Или
то есть, если
иначе
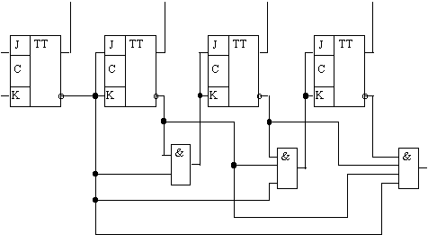
Схема цепи, реализующей данную операцию, изображена на рис. 3.5
рисунок 3.5
Микрооперация арифметического вычитания.
В данном дискретном устройстве разработана арифметическая операция сложения.-Анализируя исходное состояние триггера, перенос, в соответствии со словарем переходов JK-триггеров составляем таблицу.
| X | Zi | Qt | Qt+1 | Zi+1 | J | K |
Х |
J | |||
| 0 | 0 | 0 | 0 | 0 | 0 | * |
Zi | 0 | * | * | 1 |
| 0 | 0 | 1 | 1 | 0 | * | 0 | 1 | * | * | 0 | |
| 0 | 1 | 0 | 1 | 1 | 1 | * | Qt | ||||
| 0 | 1 | 1 | 0 | 0 | * | 1 | Х | K | |||
| 1 | 0 | 0 | 1 | 1 | 1 | * |
Zi | * | 0 | 1 | * |
| 1 | 0 | 1 | 0 | 0 | * | 1 | * | 1 | 0 | * | |
| 1 | 1 | 0 | 0 | 1 | 0 | * | Qt | ||||
| 1 | 1 | 1 | 1 | 1 | * | 0 | Х | Zi+1 | |||
|
Zi | 1 | 1 | 0 | 1 | |||||||
| 1 | 0 | 0 | 0 | ||||||||
|
Qt | |||||||||||
Дополнительно
Разработка сенсора на поверхностно-акустических волнах
В условиях
современности проблема контроля за состоянием окружающей среды выходит на все
более ведущее место. Контроль этот осуществляется как стационарными приборами, так и портативными. К стационарным приборам
можно отнести инфракрасные спектрометры, газовые хроматографы, массовые
спектрометры и ...
Распространение дифиллоботриоза в Костромской области и борьба с ним
Дифиллоботриоз плотоядных -
антропозооноз, имеющий очаговое распространение, вызывается различными видами
лентецов из рода Diphyllobothrium, среди которых
наиболее распространен лентец широкий -
Diphyllobothrium latum. Болеют собака, кошка, лисица, песец, куница, а также
человек.
Болезнь часто ...