Дискретное устройство (ДУ)
Функции возбуждения триггера для данной операции имеют следующий вид:
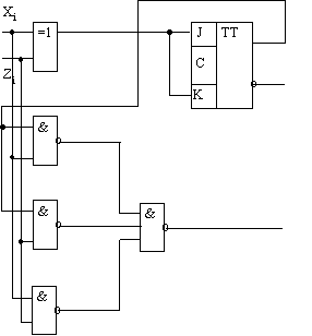
Схема цепи, реализующей данную операцию, изображена на рис. 3.6
рисунок 3.6
Данная операция реализуется по следующим формулам.
| C> | C= | X | Qt | C’> | C’= | C’> | |||||||||
| 0 | 0 | 0 | 0 | 0 | 0 | C= | С> | С= | |||||||
|
| 0 | 0 | 1 | 0 | 0 | 1 | < | 0 | 0 | ||||||
| 0 | 0 | 1 | 0 | 0 | 0 | 1 | * | * | 1 | = | 0 | 1 | |||
| 0 | 0 | 1 | 1 | 0 | 0 | C> | 1 | * | * | 1 | Qt | > | 1 | 0 | |
| 0 | 1 | 0 | 0 | 0 | 1 | x | 1 | 1 | |||||||
| 0 | 1 | 0 | 1 | 0 | 0 | X | |||||||||
| 0 | 1 | 1 | 0 | 1 | 0 | C’= | |||||||||
| 0 | 1 | 1 | 1 | 0 | 1 | C= | |||||||||
| 1 | 0 | 0 | 0 | 1 | 0 | 1 | |||||||||
| 1 | 0 | 0 | 1 | 1 | 0 | * | * | ||||||||
| 1 | 0 | 1 | 0 | 1 | 0 | C> | * | * | Qt | ||||||
| 1 | 0 | 1 | 1 | 1 | 0 | 1 | |||||||||
| 1 | 1 | 0 | 0 | * | * | X | |||||||||
| 1 | 1 | 0 | 1 | * | * | ||||||||||
| 1 | 1 | 1 | 0 | * | * | ||||||||||
| 1 | 1 | 1 | 1 | * | * | ||||||||||
Дополнительно
Высокопроизводительная, экономичная и безопасная работа технологических агрегатов металлургической промышленности
Высокопроизводительная,
экономичная и безопасная работа технологических агрегатов металлургической
промышленности требует применения современных методов и средств измерения
величин, характеризующих ход производственного процесса и состояние
оборудования. Автоматический контроль является логически ...
Становление детской журналистики и её влияние на психологию ребёнка
Русская пресса для юного читателя в
отличие от «взрослой» началась с журнала.
Детская журналистика в нашей стране
имеет богатую историю. До революции, в основном в Петербурге и Москве,
издавалось около трехсот детских и юношеских журналов. Одни из них выходили
десятилетиями, другие прекращали ...
0