Дискретное устройство (ДУ)
Функции переносов для данной операции имеют следующий вид:
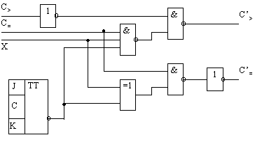
рисунок 3.7.
. Микрооперация преобразования в дополнительный код.
Преобразование в дополнительный код произведем согласно таблице.
| t | t+1 | JK3 | JK2 | JK1 | JK0 | |||||||||||
| Q3 | Q2 | Q1 | Q0 | Q3 | Q2 | Q1 | Q0 | J3 | K3 | J2 | K2 | J1 | K1 | J0 | K0 | |
| 0 | 0 | 0 | 0 | 0 | 0 | 0 | 0 | 0 | * | 0 | * | 0 | * | 0 | * | |
| 0 | 0 | 0 | 1 | 1 | 1 | 1 | 1 | 1 | * | 1 | * | 1 | * | * | 0 | |
| 0 | 0 | 1 | 0 | 1 | 1 | 1 | 0 | 1 | * | 1 | * | * | 0 | 0 | * | |
| 0 | 0 | 1 | 1 | 1 | 1 | 0 | 1 | 1 | * | 1 | * | * | 1 | * | 0 | |
| 0 | 1 | 0 | 0 | 1 | 1 | 0 | 0 | 1 | * | * | 0 | 0 | * | 0 | * | |
| 0 | 1 | 0 | 1 | 1 | 0 | 1 | 1 | 1 | * | * | 1 | 1 | * | * | 0 | |
| 0 | 1 | 1 | 0 | 1 | 0 | 1 | 0 | 1 | * | * | 1 | * | 0 | 0 | * | |
| 0 | 1 | 1 | 1 | 1 | 0 | 0 | 1 | 1 | * | * | 1 | * | 1 | * | 0 | |
| 1 | 0 | 0 | 0 | 1 | 0 | 0 | 0 | * | 0 | 0 | * | 0 | * | 0 | * | |
| 1 | 0 | 0 | 1 | 0 | 1 | 1 | 1 | * | 1 | 1 | * | 1 | * | * | 0 | |
| 1 | 0 | 1 | 0 | 0 | 1 | 1 | 0 | * | 1 | 1 | * | * | 0 | 0 | * | |
| 1 | 0 | 1 | 1 | 0 | 1 | 0 | 1 | * | 1 | 1 | * | * | 1 | * | 0 | |
| 1 | 1 | 0 | 0 | 0 | 1 | 0 | 0 | * | 1 | * | 0 | 0 | * | 0 | * | |
| 1 | 1 | 0 | 1 | 0 | 0 | 1 | 1 | * | 1 | * | 1 | 1 | * | * | 0 | |
| 1 | 1 | 1 | 0 | 0 | 0 | 1 | 0 | * | 1 | * | 1 | * | 0 | 0 | * | |
| 1 | 1 | 1 | 1 | 0 | 0 | 0 | 1 | * | 1 | * | 1 | * | 1 | * | 0 | |
Дополнительно
Лазерная медицинская установка для целей лучевой терапии Импульс-1
В настоящее
время лазерное излучение с большим или меньшим успехом применяется в различных
областях науки. Уникальные свойства излучения лазеров, такие, как монохроматичность,
когерентность, малая расходимость и возможность при фокусировке получать очень
высокую плотность мощности на облучаемой по ...
Оборудование для механического обезвоживанья и сушки текстильных материалов
Сушка является самым распространенным технологическим
процессом красильно-отделочного производства. На многих отделочных фабриках
сушильное оборудование занимает приблизительно до 30 % производственных
площадей, потребляет до 40 % всего расходуемого тепла и до 30 % электроэнергии.
Одним из эффек ...