Дискретное устройство (ДУ)
| X | Qt | Qt+1 | J | K | J | K | ||||
| 0 | 0 | 0 | 0 | * | Qt | Qt | ||||
| 0 | 1 | 0 | * | 1 | ||||||
| 1 | 0 | 0 | 0 | * |
| 0 | 0 | X | * | * |
| 1 | 1 | 1 | * | 0 | * | * | 1 | 0 |
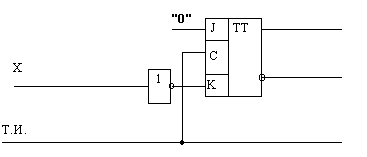
Схема цепи, реализующей данную операцию, изображена на рис. 3.4
рисунок 3.4
Микрооперация счета (-1) с последовательным переносом.
Учитывая тот факт, что синтезированный двухступенчатый триггер переключается по заднему фронту, получаем следующие функции возбуждения триггеров.
| Zi-1 | Qt-1 | Qt | J | K | Zi |
Qt |
-1 |
J | Qt |
-1 |
Zi | ||
|
| 0 | 0 | 0 | * | 0 | Zi-1 | 0 | * | Zi-1 | 0 | 0 | ||
| 0 | 1 | 1 | * | 0 | 0 | 1 | * | 1 | 0 | ||||
| 1 | 0 | 1 | 1 | * | 1 | ||||||||
| 1 | 1 | 0 | * | 1 | 0 | Qt |
-1 | K | |||||
| Zi-1 | * | 0 | |||||||||||
| * | 1 | ||||||||||||
Дополнительно
Лазерная система для измерения статистических характеристик пространственных квазипериодических структур
В последние годы наблюдается интенсивное развитие аэрокосмической и ракетной
техники, что в свою очередь ставит перед промышленностью задачу создания точных
и надежных систем связи, ориентации и обнаружения подвижных объектов в
пространстве. В большинстве случаев данные задачи решаются с прим ...
Высокопроизводительная, экономичная и безопасная работа технологических агрегатов металлургической промышленности
Высокопроизводительная,
экономичная и безопасная работа технологических агрегатов металлургической
промышленности требует применения современных методов и средств измерения
величин, характеризующих ход производственного процесса и состояние
оборудования. Автоматический контроль является логически ...
0