Полимерные электреты, их свойства и применение

Рис 10 Устройство коротрона- I - электризуемый диэлектрик, 2 - нижний электрод. 3 - игла, 4 - сетка, 5 - источник постоянного напряжения сетки, 6 - источник высокого напряжения

Металлизированная с одной стороны пленка помещается металлизированной стороной на заземленный электрод-подставку. Игла располагается на

расстоянии нескольких миллиметров над свободной поверхностью диэлектрика и соединена с источником высокого напряжения. Полярность на игле зависит от необходимого знака заряда электрета. Между иглой и образцом рас положена металлическая сетка. На

сетку подают от вспомогательного источника постоянного тока 5 отно­сительно «земли» потенциал, равный необходимому поверхностному потенциалу электрета и совпадающий по знаку с полярностью иглы, и включают источник высокого напряжения.

Поток ионов коронного разряда устремляется сквозь сетку к образцу. По мере зарядки, потенциал поверхности электрета относительно «земли» повышается. Пока он ниже потенциала сетки, ионы продолжают достигать поверхности диэлектрика, обеспечивая дальнейший его рост. Но как только потенциалы поверхности и сетки сравняются, электрическое поле меж­ду сеткой и электретом исчезнет. Ионы не будут двигаться к поверхности диэлектрика, а все будут разряжаться на сетке прибора.

Таким образом, применение сетки позволяет зарядить электрет до нужного значения поверхностного потенциала. Чтобы зарядить пленку зарядом другого знака, достаточно поменять местами полюса источников тока.

Рис 11 Зарядка с помощью «жидкостного контакта»: 1 электретная пленка; 2 - металлический электрод; 3 - ткань или войлок, смоченные жидкостью; 4 - источник постоянного напряжения

Управляемую электризацию можно осуществить и другим способом - методом «жидкостного контакта». В этих целях пленка помещается на плоский металлический электрод, а в качестве заряжающего электрода используется металлический электрод, покрытый слоем войлока, материей, промокательной бумагой. Перед зарядкой материя или войлок смачиваются дистиллированной водой или этиловым спиртом, и электрод ставится на свободную поверхность пленки. Включается источник постоянного напряжения, на выходе которого устанавливают нужную величину разности потенциалов. Затем, не выключая напряжения, отрывают электрод от поверхности диэлектрика. Поверхность оказывается заряженной, причем поверхностный потенциал почти всегда совпадает со значением напряжения, приложенного при электризации

Механизм явлений, происходящих при такой электризации ясен не до конца. Возможно, что заряд переносится за счет микроразрядов, возникающих при отрыве влажного электрода от диэлектрика. Стабильность электретов, заряженных таким методом, иногда уступает стабильности заряда короноэлектретов. В технических целях он практически не используется, но в условия физкабинета может быть с успехом использован.

Электрические поля электретов

Электрические поля электрета с поверхностным зарядом

Электреты, в зависимости от характера внедренного заряда, наличия или отсутствия электродов, могут создавать электростатические поля как

внутри диэлектрика, так и в окружающем пространстве.

Если взять тонкую пленку полимерного диэлектрика, продольные размеры которой значительно превышают толщину, то ее можно считать «бесконечно протяженной». Именно для таких пленок в дальнейшем будут проводиться расчеты полей, токов релаксации и др. параметров электретов.

Зарядим поверхность пленки одним знаком заряда. Заряды захватятся поверхностными ловушками и будут удерживаться на них длительное

время (рис. 12).

Рис. 12. Моноэлектрет без электродов создает в пространстве электрическое поле

Такой электрет создает в пространстве однородное электрическое поле. В вакууме вне диэлектрика оно будет определяться выражением:

а внутри пленки:

где σ- поверхностная плотность заряда, ε - диэлектрическая проницаемость пленки, ε0- электрическая постоянная (8.85*Ф/м).

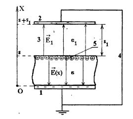
Рис.

13. Конфигурация для расчета электрических полей внутри и вне электрета: I - нижний напылённый электрод, 2 верхний электрод, 3 - диэлектрический зазор, 4 - внешняя закорачивающая цепь, 5 - поверхностный заряд

Перейти на страницу: 2 3 4 5 6 7 8 9 10 11 12

Дополнительно

Лазерная система для измерения статистических характеристик пространственных квазипериодических структур
В последние годы наблюдается интенсивное развитие аэрокосмической и ракетной техники, что в свою очередь ставит перед промышленностью задачу создания точных и надежных систем связи, ориентации и обнаружения подвижных объектов в пространстве. В большинстве случаев данные задачи решаются с прим ...

Проектирование технологии ремонта гидроцилиндров с использованием полимерных материалов
Одно из направлений повышения эффективности производства - его переоснащение современной техникой, внедрение передовых технологических процессов и достижений современной науки. В лесной промышленности и лесном хозяйстве таким направлением наряду с увеличением единичной мощности выпускаемой те ...

Меню сайта