Расчет стальной балочной клетки
- статический момент полусечения относительно оси Х-Х
![]() |
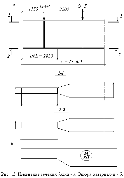
Расчетные усилия в месте изменения сечения.
Изгибающий момент
М¢= Rа × 2,92 - (G+Р)(2,92-1,25)=3(G+Р) × 2,92-1,67(G+Р) = 7,09 (G+Р) = 7,09 × 271= 1923,0 кН
Перерезывающая сила
Q¢ = Qmax - (G+P)= 813,69 - 271,23 = 542,46 кН
Проверка напряжений
а) в месте изменения сечения
- максимальные нормальные напряжения
- касательные напряжения в стенке под полкой
< RSgc = 0,58 × 315 × 1= 182,7 МПа
- приведенные напряжения под полкой
1,15 Rg gc = 1,15× 345 = 396,75 МПа
sred < 1,15 Rg gc
Расчет поясных сварных швов.
Полки составных сварных балок соединяют со стенкой на заводе автоматической сваркой. Сдвигающая сила на единицу длины
,
Для стали С375 по табл. 55* СНиП II-23-81* принимаем сварочную проволоку Св-10НМА для выполнения сварки под флюсом АН-348-А.
Определим требуемую высоту катета Кf
поясного шва "в лодочку".
1. Расчет по металлу шва.
Коэффициент глубины провара шва bf =1,1 (СНиП II-23-81*, табл.34)
Коэффициент условия работы g wf = 1 (СНиП II-23-81*, пп. 11.2)
Расчетное сопротивление металла R wf =240 МПа
bf g wf R wf = 1,1× 1×240 = 264 МПа
2. Расчет по металлу границы сплавления.
Коэффициент глубины провара шва bz =1,15 (СНиП II-23-81*, табл.34)
Коэффициент условия работы g wz = 1 (СНиП II-23-81*, пп. 11.2)
Расчетное сопротивление металла R wz =0,45 R un = 0,45 ×490 = 220,5 МПа
bz g wz R wz = 1,1× 1×220,5 = 253,6 МПа
Сравнивания полученные величины, находим
(b g w R w)min = 253,6 МПа
Высота катета поясного шва должна быть не менее
kf ≥ 0,8 мм
По толщине наиболее толстого из свариваемых элементов (tf
= 18 мм) по табл. 38 СНиП II-23-81*, принимаем kf
= 7 мм.
Проверка на устойчивость сжатой полки.
Устойчивость полки будет обеспечена, если отношение свеса полки bef
к ее толщине tf
не превышает предельного значения:
, где расчетная ширина свеса полки bef
равна:

![]()
![]()
![]()
Т.к. 9,72 ‹ 12,8, устойчивость поясного листа обеспечена.
. Проверка устойчивости стенки балки.
Для обеспечения устойчивости стенки вдоль пролета балки к стенке привариваются поперечные двусторонние ребра жесткости.
Расстояние между поперечными ребрами при условной гибкости стенки
, не должно превышать 2hw . Условная гибкость стенки определяется по формуле
.
Дополнительно
Новая фундаментальная физическая константа, лежащая в основе постоянной Планка
Открыта новая фундаментальная физическая константа hu “фундаментальный
квант действия” [11 - 15]. Ее значение равно [11,12,23]:
hu=7,69558071(63)•10-37Дж
с.
На основе классических представлений для электромагнетизма получены еще две
физиче ...
Численная модель эволюции плавающих на сферической мантии и взаимодействующих континентов
С развитием методов
численного моделирования глобальных геодинамических процессов появилась
возможность исследовать механизм дрейфа континентов с периодическим
объединением их в суперконтиненты типа Пангеи. В предыдущих работах авторов
разработан метод численного решения системы уравнений переноса ...
